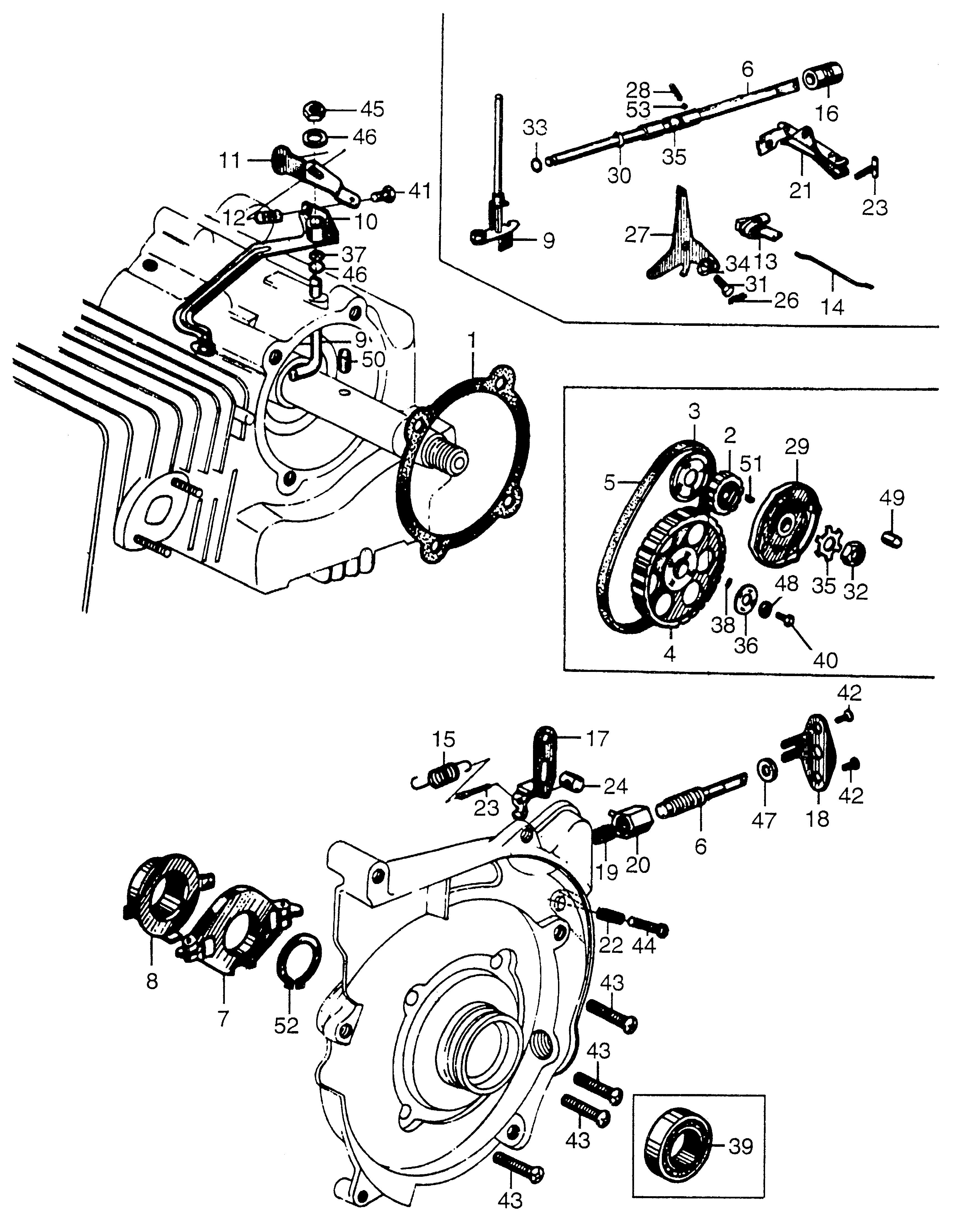
Generators E E300 E300K1 A GE300-1106001-1281362 GOVERNOR - L&M Supply

Ref No
Part Number
Description
Serial Range
Qty
Price

Ref No
1
Part Number
11192-836-000
Description
GASKET, STARTER CASE (NOT AVAILABLE)
Serial Range
1106001 - 9999999

Ref No
6
Part Number
16562-836-000
Description
SHAFT, CONTROL ADJUST
Serial Range
1106001 - 2000000

Ref No
7
Part Number
16510-836-000
Description
HOLDER, GOVERNOR WEIGHT (NOT AVAILABLE)
Serial Range
2035557 - 9999999

Ref No
8
Part Number
16521-836-000
Description
SLIDER, GOVERNOR
Serial Range
1000001 - 9999999

Ref No
9
Part Number
16530-836-000
Description
SHAFT, GOVERNOR ARM
Serial Range
1106001 - 9999999

Ref No
10
Part Number
16541-836-000
Description
ARM, GOVERNOR (NOT AVAILABLE)
Serial Range
1106001 - 9999999

Ref No
11
Part Number
16542-836-000
Description
PLATE, GOVERNOR ADJUST (NOT AVAILABLE)
Serial Range
1000001 - 9999999

Ref No
12
Part Number
16543-836-000
Description
SPRING, GOVERNOR ARM ADJUST (NOT AVAILABLE)
Serial Range
1106001 - 9999999

Ref No
15
Part Number
16551-836-000
Description
SPRING, GOVERNOR (NOT AVAILABLE)
Serial Range
1106001 - 9999999

Ref No
17
Part Number
16565-836-000
Description
ARM, CONTROL
Serial Range
1106001 - 9999999

Ref No
18
Part Number
16567-836-000
Description
RETAINER, ADJUST SHAFT
Serial Range
1106001 - 9999999

Ref No
19
Part Number
16568-836-000
Description
SPRING, ADJUST SHAFT (NOT AVAILABLE)
Serial Range
1000001 - 9999999

Ref No
20
Part Number
16569-836-000
Description
NUT, CONTROL ADJUSTING (NOT AVAILABLE)
Serial Range
1000001 - 9999999

Ref No
22
Part Number
16571-836-000
Description
SPRING, CONTROL ADJUSTING
Serial Range
1106001 - 9999999
Qty
Price
$1.56

Ref No
23
Part Number
16575-836-000
Description
BOLT, SPRING ADJUST (NOT AVAILABLE)
Serial Range
1106001 - 9999999

Ref No
24
Part Number
16576-836-000
Description
NUT, SPRING ADJUST
Serial Range
1000001 - 9999999

Ref No
37
Part Number
90601-836-000
Description
E-RING (4MM)
Serial Range
1075765 - 9999999

Ref No
37
Part Number
90601-836-000
Description
E-RING (4MM)
Serial Range
1000001 - 9999999

Ref No
41
Part Number
92301-04018-0A
Description
BOLT, RECESSED (4X18)
Serial Range
1106001 - 9999999
Qty
Price
$1.32

Ref No
42
Part Number
93500-04006-0A
Description
SCREW, PAN (4X6)
Serial Range
1075765 - 9999999
Qty
Price
$1.00

Ref No
43
Part Number
93500-05022-0A
Description
SCREW, PAN (5X22)
Serial Range
1075765 - 9999999
Qty
Price
$0.82

Ref No
44
Part Number
93500-04020-0A
Description
SCREW, PAN (4X20)
Serial Range
1106001 - 2000000
Qty
Price
$1.00

Ref No
45
Part Number
94002-04000-0S
Description
NUT, HEX. (4MM)
Serial Range
2000001 - 9999999
Qty
Price
$1.26

Ref No
46
Part Number
94101-04200
Description
WASHER, PLAIN (4MM)
Serial Range
1000001 - 9999999
Qty
Price
$0.88

Ref No
50
Part Number
94302-04065
Description
PIN B, DOWEL (4X6.5)
Serial Range
1106001 - 9999999
Qty
Price
$2.74

Ref No
52
Part Number
94510-15000
Description
CIRCLIP (OUTER) (15MM)
Serial Range
1000001 - 9999999
Qty
Price
$1.40